hewatec WB180N
Füllmenge ca. 20,0 kg
- feststehende Ausführung (Bodenverankerung notwendig)
- Füllgewicht ca. 20 kg bei Füllverhältnis 1/9
- Füllgewicht ca. 18 kg bei Füllverhältnis 1/10
- Trommelvolumen 180 l, Ø 700 mm
- Schleuderdrehzahl 714 U/min.
- g-Faktor 200
- Restfeuchte ca. 65%
- Bottich und Trommel in Edelstahl
- Gehäuse in grau "Edelstahleffekt" (Edelstahl optional)
- robuste Luke aus Druckgußaluminium
- großzügige Einfüllöffnung Ø 460 mm
- 5-Kammer-Waschmittelbehälter in der rechten Seite
- Steuerungselektronik mit Touchscreen frei programmierbar
- Programmiermöglichkeit für individuelle Programme
- intelligentes Wiegesystem
- automatische Anpassung von Wasserverbrauch und Dosiertechnik
- entwickelt für den Einsatz mit Wasserrückgewinnungsanlagen
- Anzeige von Restlaufzeit, Temperatur, Programm sowie weitere Informationen abrufbar
- Antrieb frequenzgesteuert
- motorgesteuertes Ablaufventil Ø 75 mm
- zusätzliches motorgesteuertes Ablaufventil Ø 75 mm für noch schnellere Entwässerung oder Wasserrückgewinnung (optional)
- Anschluss für 8 Flüssigdosierpumpen (6 Zusatzpumpen optional)
- Wasseranschluss für Kaltwasser
- Wasseranschluss für Warmwasser
- Wasseranschluss für indviduelle Zufuhr
- Elektroheizung 12 kW
- Dampfheizung (optional)
- Anschluss 400V - 3N 50/60Hz (andere Spannungen optional)
- Gewicht ca. 281 kg
- H 1307 / B 788 / T 840 mm
Grau mit "Edelstahleffekt" (Edelstahl Option)
22 - 100 kg Füllmenge
Touchscreen 7" für individuelle Bedienung
Touchscreen 7" für individuelle Bedienung
Touchscreen 7" für individuelle Bedienung
Touchscreen 7" für individuelle Bedienung
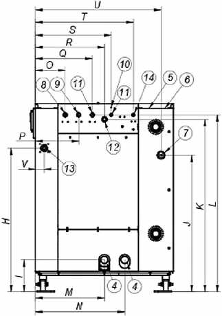
Frontansicht
Seitenansicht
Rückansicht
Legende
Legende




